Насос моноблочний IR 50-160A 7,5 кВт SAER (75 м3/год, 40,4 м)
-
- Виробник: SAER
- Наявність: Немає в наявності
- Модель: 19012
- Артикул: 04271
- Висота підйому, м. 40
- Потужність, кВт 7,5
- Продуктивність, л/хв. 1250
Насос моноблочний IR 50 - 160A 7.5 кВт SAER (75 м3/год, 40.4 м)
Відцентрові одноступінчасті консольно-моноблочні електронасоси SAER серії IR - це італійська якість, що поєднується з цілком прийнятною ціною. Виробництво насосів SAER IR знаходиться виключно в Італії.
Електричні зовнішні насоси серії IR можуть бути використані в рециркуляційних установках, системах опалення, кондиціювання, а також в установках пожежогасіння.
В основному ці насоси застосовуються для зрошення та дощування, подачі господарсько-побутових вод із резервуарів, а також у різних галузях промисловості.
Здатні перекачувати трохи забруднені рідини, а також хімічні рідини, які нейтральні до матеріалу насосної частини. Для більш агресивних або харчових середовищ насосна частина може бути виконана з нержавіючої сталі. .
Конструктивні характеристики
За конструкцією дані насоси, моноблочні (вал електродвигуна знаходиться безпосередньо в насосній частині з одним робочим колесом). Приєднання у насоса фланцеві за стандартом UNI EN 1092-2. Електродвигуни даних насосів – стандартні асинхронні, 2-х полюсні (3000 об/хв). Моделі до 4 кВт можуть комплектуватися електродвигунами на 230В. Комплектуються торцевими ущільненнями, які за запитом можуть бути виготовлені з різних матеріалів (залежить від типу середовища, що перекачується).
•Корпус насоса виготовлений з чавуну GJL250
•Робоче колесо - з чавуну GJL250
•Вал ротора - з нержавіючої сталі AISI 431
•Торцеве ущільнення - оксид алюмінію-графіт-EPDM
•Ступінь захисту: IP55
•Клас ізоляції F
•Трьохфазне виконання: 400/690 V 50 Гц
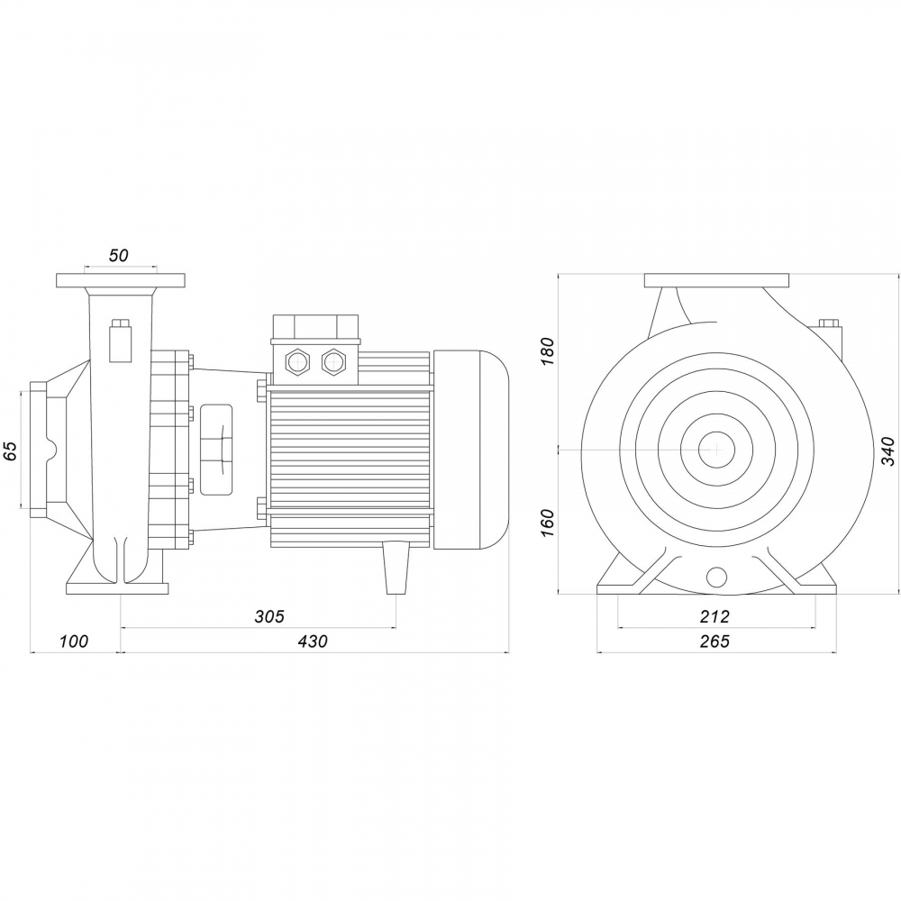
•Всмоктувальний та напірний патрубок - фланцеві, фланці UNI 2236-PN10 ( UNI EN 1092-2:1999 )
Технічні характеристики моделі SAER IR 50-160A:
• Номінальна потужність: 7.5 кВт
• Максимальний напір: 40.4 м
• Максимальний обсяг подачі: 75 м3/год.
• Кількість робочих коліс - 1
• Діаметр всмоктуючого патрубка - 65 мм
• Діаметр напірного патрубка - 50 мм
• Максимальний робочий тиск - 10 бар
•Температура середовища, що перекачується від -15 °С до +120°С
• Максимальна температура навколишнього середовища: 40°С
•Максимальний вміст твердих частинок - 65 г/м3
•Максимальний розмір твердих частинок - 3 мм
•Максимальний час роботи при закритому патрубку (для води температурою 20 °С) - 5 хв
•Маса виробу , кг – 60
Робочі параметри виміряні при перекачуванні чистої води щільністю 1000 кг/м3 з манометричною глибиною всмоктування 1,5м.
Для вищої манометричної глибини всмоктування до максимальної (6-7м) характеристики насоса зменшуються на величину цієї глибини всмоктування. Всмоктувальна труба повинна бути герметичною і для отримання зазначених параметрів повинна мати розміри:
DN (діаметр всмоктуючого патрубка насоса) - 65 мм
DN (діаметр всмоктувальної магістралі) - 100 мм.
Можлива горизонтальна, похила та вертикальна установка (при вертикальній установці електродвигун має бути зверху), але ці умови необхідно узгоджувати зі спеціалістами заводу SAER.
Розшифровка насосів SAER IR
IR - консольно-моноблочні насоси фірми SAER
50 - діаметр напірного патрубка в мм
160- діаметр робочого колеса (крильчатки)
А-тип використовуваного електродвигуна
Основні переваги насосів SAER IR:
Насосна частина може бути виконана з різних матеріалів: чавун, сфероідальний чавун, нержавіюча сталь і бронза.
Торцеві ущільнення можуть бути виконані з різних матеріалів залежно від середовища, що перекачується
Горизонтальне та вертикальне встановлення електронасосу
Італійська якість
Вага: 62,8 кг
Упаковка: В39см, Ш58 см, Г33 см
| Параметри пристрою | |
| Висота підйому, м. | 40 |
| Потужність, кВт | 7,5 |
| Продуктивність, л/хв. | 1250 |





